Faltenbälge aus Gummi sind elastische Gelenke, die sich ausdehnen und zusammendrücken lassen und dabei eine dauerhafte Abdichtung gewährleisten. Sie werden verwendet, um bewegliche mechanische Teile vor Verschmutzung zu schützen, damit sie länger halten. Barbieri Rubber entwirft und fertigt Gummibälge aller Art für viele Branchen und vielfältige Anwendungen.
Faltenbälge aus Gummi, was sie sind und wofür sie verwendet werden
Faltenbälge aus Gummi bieten den perfekten Schutz für unbegrenzte Kombinationen von Produkten und Anwendungen. Sie sind ein sehr nützliches Schutzinstrument in vielen industriellen und zivilen Bereichen. Ihr Hauptzweck besteht darin, die Lebensdauer von beweglichen Teilen und Komponenten zu verlängern, indem sie diese vor dem Kontakt mit anderen Teilen sowie vor Fremdkörpern wie Staub und Schmutz schützen.

Faltenbälge aus Gummi aller Art für eine Vielzahl von Branchen und Anwendungen
Faltenbälge aus Gummi können zum Schutz unzähliger mechanischer Organe und Teile verwendet werden, sowohl statisch als auch beweglich, ohne deren Bewegung einzuschränken, wie z. B.: Industriemaschinen, Arbeitsmaschinen, Hydraulik- und Pneumatikzylinder, Übertragungsgelenke, Führungen und Schnecken, Türen und Fenster; oder sie können den Kabeldurchgang zwischen Fahrzeugtüren und Fahrgestell, den Durchgang von Druckluftschläuchen usw. schützen. Manchmal können sie auch als Rohr, Kanal oder sogar als Dehnungsfuge dienen. In erster Linie dienen sie jedoch als Schutzabdeckung. Die Anwendungsbereiche sind äußerst vielfältig.
Faltenbälge aus Gummi gibt es in verschiedenen Formen und Größen und können zum Schutz verschiedener Bewegungsarten, wie z. B. axial, winklig oder dynamisch, verwendet werden. Sie haben eine geringe Dicke und sind besonders geeignet und praktisch, wenn platzsparender Schutz, Dichtheit, Widerstandsfähigkeit gegenüber einem breiten Temperaturbereich und hohe Betriebsgeschwindigkeiten erforderlich sind. Sie haben einen großen Messbereich von voll ausgefahren bis voll eingefahren.
Faltenbälge aus Gummi, Design und Produktion
Wir entwerfen unsere Artikel direkt und arbeiten mit dem Kunden im Rahmen eines Co-Designs zusammen. Wir stellen unsere Erfahrung durch hochkompetente Fachleute, modernste Technik und Prüfgeräte sowie Design-Know-how zur Verfügung
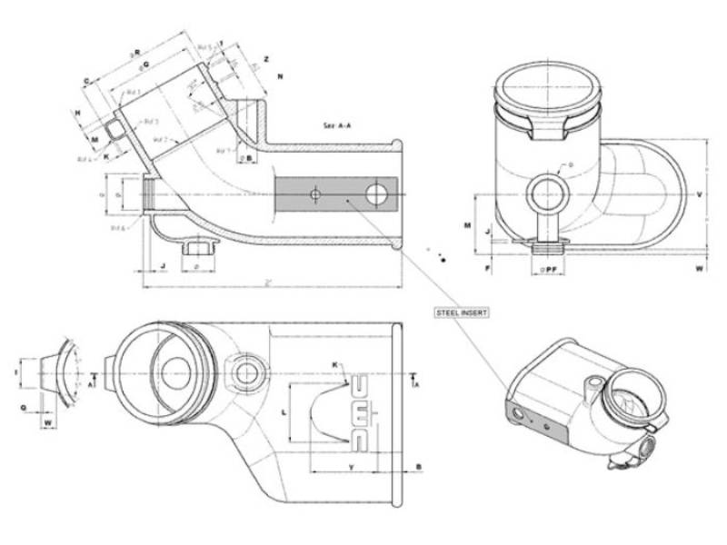
Faltenbälge aus Gummi werden im Spritzgussverfahren, aber auch im Pressverfahren unter Verwendung spezieller Formen hergestellt. Sie bestehen aus einem einzigen Stück, mit Ausnahme der modularen Faltenbälge, die aus dem Balgkörper, den Endmanschetten und den Gelenken bestehen, die es ermöglichen, die Faltenbälge miteinander zu verbinden und Längen zu erzielen, die durch Gießen nicht erreicht werden können.
Die Herstellung von Gummiformteilen erfordert ein besonderes Know-how, das wir bei Barbierirubber seit zwei Unternehmergenerationen vorweisen können und das heute dank zweier bewährter Qualitätszertifizierungen ein fester Bestandteil des Unternehmens ist: ISO 9001:2015 und IATF 16949:2016. Gehen Sie zu den Zertifikaten.
Bei Barbierirubber verfügen wir über verschiedene Maschinentypen und -größen für die Herstellung von faltenbälge aus Gummi, so dass wir den Bedürfnissen unserer Kunden in allen Sektoren und Anwendungsbereichen gerecht werden können.
Anwendungen von Faltenbälge aus Gummi
Die Bedürfnisse der Anwender von faltenbälge aus Gummi ändern sich ständig, da die von den Maschinen- und Anlagenherstellern geforderten Eigenschaften immer anspruchsvoller werden oder sich die Einsatzbereiche ändern.
Faltenbälge aus Gummi können je nach Spezifikation in verschiedenen Mischungen hergestellt werden. In einigen Anwendungsbereichen ist beispielsweise eine Beständigkeit gegen Öle, Fette und Kohlenwasserstoffe oder eine Beständigkeit gegen Witterungseinflüsse wie Luft, Wind, Regen und Sonneneinstrahlung erforderlich. Alles hängt von den endgültigen Eigenschaften und den spezifischen Verwendungszwecken ab.
Hauptartikel Kategorien
Wir entwerfen und fertigen geformte faltenbälge aus Gummi sowie Standard- und kundenspezifische Gummiteile aller Art für viele industrielle und zivile Bereiche und für viele Verwendungszwecke.
Barbieri Rubber. Kontaktieren Sie uns für weitere Informationen.
Tel: +39 0522 550433 | Mail: sales@barbierirubber.it




